Accessoires Membrane compatible Goyen K4502
< Retour à Accessoires

Membrane compatible Goyen K4502

Goyen
Economique
Compatible

Kit Membrane compatible Goyen K4502

Kit Membrane Goyen K4502– Remplacement Fiable & Performant

Parfait, voici la version sans emojis du descriptif pour le kit membrane K4502 GOYEN :

Kit membrane K4502 GOYEN

Optimisez la performance de vos électrovannes de décolmatage GOYEN avec le kit membrane K4502, une solution fiable et durable proposée par Tech-Alp.

Pourquoi choisir ce kit membrane ?

Les membranes sont au cœur du fonctionnement des électrovannes de décolmatage industriel.
Une membrane usée ou défectueuse provoque :

  • des fuites d’air comprimé,
  • une efficacité réduite du nettoyage des manches filtrantes,
  • des coûts de maintenance supplémentaires.

Le kit membrane K4502 vous garantit :

  • Compatibilité totale : 100 % adapté aux vannes GOYEN
  • Durabilité renforcée : matériaux résistants pour une longévité accrue
  • Optimisation énergétique : décolmatage efficace et consommation d’air réduite

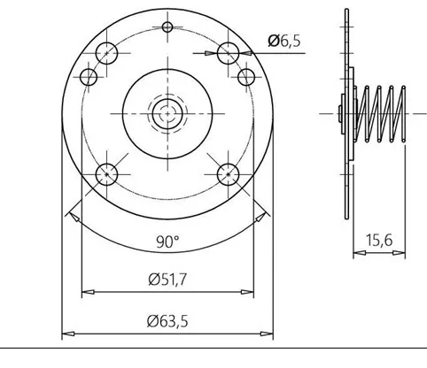
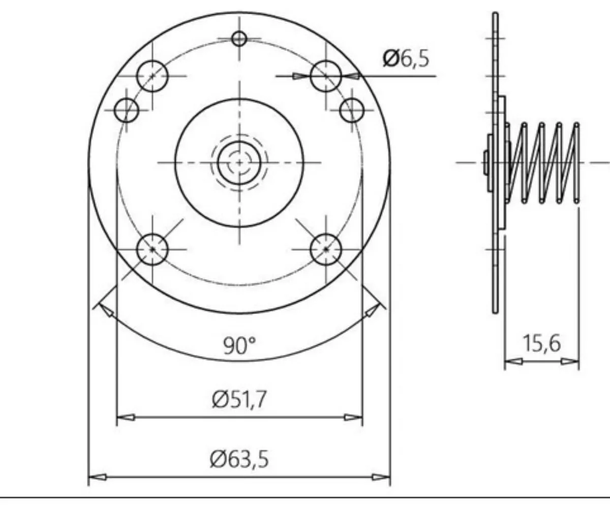
Caractéristiques techniques

  • Dimensions : disponibles sur demande
  • Matériaux proposés :
    • Néoprène : résistance thermique de -20°C à +80°C
    • Viton : résistance thermique de -20°C à +200°C
    • Basse température : résistance thermique de -40°C à +80°C

Pourquoi remplacer vos membranes ?

Un entretien régulier assure :

  • une meilleure efficacité du nettoyage industriel,
  • une réduction des pertes d’air comprimé,
  • une diminution des coûts de maintenance.

Commandez dès maintenant

Optez pour le kit membrane K4502 GOYEN et redonnez toute sa performance à vos électrovannes.
Contactez Tech-Alp pour plus d’informations sur les dimensions et compatibilités.

Pour plus d’informations contactez nous. 

Discutons de vos besoins

Vous avez un projet ?

Demander une offre

Contactez-nous